Larry East, W1HUE
Tucson, Arizona
(contact author)
This article appeared in the October 1995 issue of The QRP Quarterly.
Ten-Tec originally rated their Argonaut 509 at 2W output, 80 through 10 meters. However, most 509s will produce more than 5W in CW mode on 80 through 15 meters, but less than 5W PEP when running SSB. On 10M, one typically gets about 4W CW and less than 3W SSB PEP output. An article in SPRAT (1) a few years ago suggested replacing the final transistors with MRF476's as a way of increasing SSB power output. (That mod requires some surgery on the amplifier board that is pretty much irreversible.) The stock final transistors (2) should be capable of doing better on SSB, however, so I decided to see what could be done to increase their SSB output.
When I feed a two-tone signal into the microphone input and looked at the transmitter output on an oscilloscope, the cause of the low output became immediately apparent: limited range of linear operation of the final (and possibly driver) amplifier. Most of the problem appears to be caused by insufficient "stiffness" of the final amplifier bias voltage. The bias is derived from the transmit control signal (shown as "T" on the schematic) through a 470 Ohm resistor and limited by a 1N4002 diode. When the final amplifier power output reaches about 2.5W, the bias voltage begins to drop and the amplifier no longer operates in a linear mode resulting in output limiting. I tried reducing the value of the bias resistor; that helped slightly, but the "T" voltage varied with audio peaks due to the added current drain. I decided that a better solution would be to derive the bias from the +12V supply buss and use the "T" control voltage to turn it on and off.
The bias circuit modification described below resulted in an additional 1.5 to 2 Watts of SSB output from my 509, depending on the band of operation. My rig will now produce an easy 5-plus Watts of peak SSB output on 75 through 20 meters, about 5W on 15M and nearly 4W on 10M with no noticeable distortion. (Power output was measured using an Oak Hills WM-1 QRP Wattmeter with the PEP modification described on page 8 of the January 1995 QRP Quarterly.) This translates to a rather modest 2 dB power gain, but the audio quality is definitely improved. Besides, every little bit helps when you're running QRP!
The bias modification should also help the 505 and 515 models, since their amplifier bias circuits are essentially the same as the 509. However, the 515 uses higher gain final transistors (MRF476's) and is probably capable of sufficient SSB output without this modification.
The Argonaut series of QRP rigs do not have any type of speech processing which also detracts from their SSB performance. T-Kit, the new subsidiary of Ten-Tec that supplies amateur radio related kits (3), has come to the rescue with a small speech processor "mini kit," model 1551. At $9.00, this has got to be one of the best bargains around! The kit consists of a 1.75 in. square PC board and a "bag of parts"; no cabinet or connectors are included. Assembly instructions are not "step-by-step," but they are certainly adequate for anyone with moderate building experience. The processor is intended to be placed between the microphone and a transceiver's microphone input, and should be useable with just about any SSB rig that does not have audio processing.
I installed one of these kits in my Argonaut 509 as described below and am very pleased with the results. It does an excellent job of controlling the peak modulation level and raising the average "talk power". On-the-air reports range from "signal strength about the same but your audio sounds louder with the processor on" to "your signal went up about one S-unit when you turned the processor on" – and that's with no increase in peak output power!

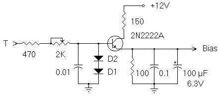
Figure 1. New final amplifier bias circuit
The new final amplifier bias circuit is shown in Figure 1. The bias transistor is tuned on by the transmit control signal, but the bias current is obtained from the +12V supply rather than the control signal. Output from the emitter of the bias transistor is connected to the junction of RFC1 and RFC2 on the 509 Power Amplifier board (the connection point would be the center tap of T2 in the 505). Final amplifier idle current is set to about 10mA by the 2K pot. The two diodes in series at the base of the bias transistor compensate for the base-emitter voltage drops of the bias and final amplifier transistors, and the 100 uF bypass capacitor reduces the effect of audio peaks on the bias voltage. The diodes are also used for temperature compensation of the transistor base-emitter voltages. D2 is a 1N914 (or 1N4148) and is in thermal contact with the bias transistor, a 2N2222A. I determined experimentally that the junction voltages as a function of temperature of these two components track very closely. D1 is the original 1N4002 bias diode. I remounted it on the heat sink between the amplifier transistors, but that is probably an over-kill since the heat sink remains essentially at room temperature even at full (7 to 8W) amplifier output.
Important note: Do not increase the size of the bypass capacitors shown in Fig. 1; doing so can result in poor CW keying characteristics! (Modifications to improve keying characteristics are described in a recent QRPp article (4).)
I was able to mount the components for the new bias circuit on the Power Amplifier board of my 509 by performing some rather minor (and reversible) surgery. The new component layout is approximately as shown in Figure 2. I have not installed this modification in a 505 or 515; with those rigs, you are on your own!
To make this modification to a 509, proceed as follows:

Figure 2. Approximate layout of new bias circuit
components on the final amplifier board.
The board connector (not shown) would be at the bottom of the figure.
That's it; connect a microphone and give it a try! If you have a peak reading Wattmeter (5), check the SSB PEP output power on the various bands. You should be able to get at least 5 Watts PEP out on 40 meters with the Drive control no higher than about the 50 to 60% position when speaking at a normal level. This is if you are using a high impedance crystal mic; maybe the 70% position if you are using a low impedance mic. Note that an AVERAGE reading power meter will read considerably less than 5 Watts.
If you cannot get adequate output when using a low impedance microphone, check the value of the microphone input coupling capacitor on the SSB Generator board (C19 in the 509); if it is less than 0.1F, replace it with a 0.1 to 0.2F capacitor.
Note added December 2007 (updated November 2016)
I recently checked TenTec's web site and could not find this kit listed. However, I did find it listed on a website in the U.K. for approximately US$20. (Update Nov. 2016 – that site no longer exists and a Google™ search did not turn up anything.)
In the process of building and checking out the T-Kit model 1551 speech processor, I discovered two errors: Capacitors C9 and C10 should have their polarities reversed from what is shown in the schematic and the markings on the PC board (6). Wired as shown in the 1551 schematic, the leakage of C9 (due to its reversed polarity) results in reduced bias on the positive input of U2B, the output op-amp. This does not appear to affect the operation of U2B since the bias remains well above the peak AC signal level. However, the reversed polarity could well lead to premature failure of C9. C10 is on the output of U2B, so its positive end should be connected to U2B – assuming that the device to which the processor output is connected is at (or close to) ground potential. It would be even better to use an unpolarized capacitor for C10 so that one does not have to worry about what DC potential, if any, might be present at the processor output. I replaced the electrolytic capacitor supplied for use as C10 with a 1.0µF monolithic non-polarized capacitor, but a 0.1uF ceramic capacitor should work just as well.
I installed the speech processor board inside my 509 above the front half of the control board using two 2-centimeter long metal stand-offs obtained from Radio Shack (that's right – they're metric!). I mounted the stand-offs by drilling two holes along the left edge of the control board: one between the "S-meter zero" and "RIT zero" pots and the other next to the receive antenna relay (later 509 models use a transistor switching circuit and there is more room to mount the stand-off). The speech processor board was then mounted on top of the stand-offs using two of the pre-drilled mounting holes in the board. Caution: if the processor board is mounted too close to the back of the control board, it will interfere with the speaker mounted under the top cover of the 509. I had to replace the pot supplied for R19 (the "Processor Adjustment" control) with a small 10K trim-pot due to lack of space inside the 509. I obtained the microphone signal for the processor input from the feed-through under the SSB Generator board, and fed the output of the processor to the SSB Generator board connector pin originally wired to the feed-through. I mounted a small DPDT switch on the 509 front panel just below and to the right of the Drive Control, wired as shown on page 10 of the 1551 manual. (Actually, the switch is mounted to the "subpanel" and protrudes through a hole in the front panel.) I used shielded signal cable (RG174 mini-coax) between the connectors under the SSB Generator board, the switch and the processor board.
I have not experienced any problems with RF pickup in the speech processor, although I did take the extra precaution of adding some RF bypass capacitors on the processor board (0.001uF at the negative inputs of U2A and U1B and the output of U2B, 0.1µF in parallel with C11 and C14). I did, however, experience two minor problems in using the speech processor with my 509:
I solved these problems by making two minor modifications to the speech processor:
The speech processor has two controls: The "Processor Adjustment," R19 and an output level control, R22. These should be adjusted as follows (using a dummy load, of course!):
If you have an oscilloscope, use it to monitor the rig's output and compare the output waveform with and without the processor in the circuit. You may find that you need to "diddle" the settings of R19 and R22 for best results with a particular microphone. The object is to maintain the same PEAK output power with the processor on and off, but increase the AVERAGE power when the processor is on. The gain compression characteristics of the processor will compensate for voice level variations resulting in a more constant average power output.
There are a variety of malfunctions that can degrade Argonaut SSB performance. A common problem seems to be detectable frequency changes with modulation, or "FMing". Two possible causes are: 1) Bad 8V regulator on the Control Board, and 2) Bad bypass capacitor(s) on the SSB Generator Board.
The 8V regulator supplies voltage to the VFO, RIT, microphone amplifier and carrier balance circuits. Its output should actually be slightly greater than 8V. 505's and early 509's use a discrete regular circuit, consisting of two transistors and a zenier diode, that produces an output of about 8.4V. This circuit is not too likely to fail; however, later versions of the 509 use an IC (LM723) that is prone to failure. If your rig uses an IC regulator and its output is less than 8V, replace it (LM723's are available from Radio Shack for about $1). It's a good idea to check the regulator IC output even if you haven't had reports of FMing.
If you have the FMing problem and the 8V regulator appears to be OK, try replacing C11 and C20 (509 part numbers) on the SSB Generator Board. C11 is the bypass capacitor on the +8V line to the microphone amplifier, and C20 is the bypass capacitor for the carrier balance control. It's a good idea to replace C11 with the largest value capacitor that will fit into the space on the board; say 220µF or 300µF.
Two adjustments that can effect SSB performance are: 1) Carrier Balance and 2) TX Mixer Balance. The Carrier Balance control is on the SSB Generator Board and should be adjusted for minimum output when the transmitter is in SSB mode and the Drive control is turned all the way down. The best output indicator is an oscilloscope connected to the transmitter output, but a voltmeter with an RF probe can also be used. The adjustment procedure is described in the Argonaut manual.
The manual is rather vague on how to adjust the TX Mixer Balance control located on the TX-RX Mixer Board. I have found that the following procedure works well with my 509; it should also work for 505's and 515's:
Now that your trusty old Argonaut is all tweaked for maximum SSB performance, put it on the air and enjoy!
————
Copyright © 2005, 2012 by Larry East, W1HUE ————

Page last updated on November 30, 2016